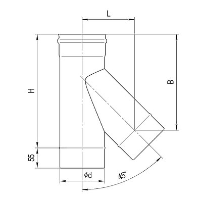
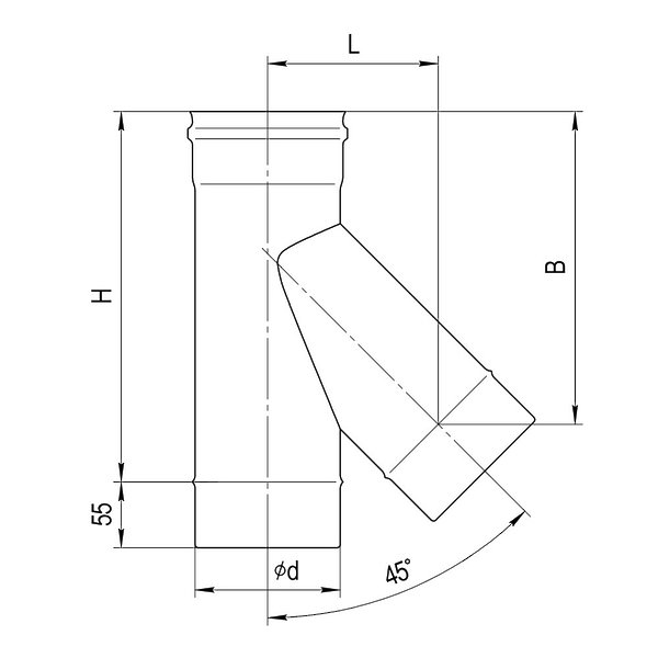
Тройник 135°
| Тройник 135° (fm10) | |||||||||||
|---|---|---|---|---|---|---|---|---|---|---|---|
| Диаметр | L | H | B | Масса 0,5 | Масса 0,8 | Метод | |||||
| 80 | 100 | 240 | 199 | 0.58 | - | П | |||||
| 100 | 153 | 317 | 253 | 0.72 | - | В | |||||
| 110 | 161 | 331 | 264 | 0.81 | 1.3 | В | |||||
| 115 | 166 | 338 | 269 | 0.86 | 1.37 | В | |||||
| 120 | 170 | 345 | 275 | 0.91 | 1.45 | В | |||||
| 125 | 174 | 352 | 280 | 0.96 | - | В | |||||
| 130 | 178 | 359 | 285 | 01.01 | 1.62 | В | |||||
| 135 | 187 | 366 | 291 | 01.07 | - | В | |||||
| 140 | 187 | 373 | 296 | 1.12 | - | В | |||||
| 150 | 195 | 387 | 307 | 1.23 | 1.97 | В | |||||
| 160 | 204 | 402 | 317 | 1.35 | 2.15 | В | |||||
| 180 | 221 | 430 | 338 | 1.59 | 2.55 | В | |||||
| 200 | 238 | 458 | 360 | 1.85 | 2.96 | В | |||||
| 220 | 255 | 486 | 381 | 2.15 | - | В | |||||
| 250 | 281 | 529 | 413 | 2.58 | 4.12 | В | |||||
| 300 | 360 | 652 | 503 | 3.82 | 6.12 | П | |||||
Каталог
выпускаемых изделий
Конструкторский отдел ПК «Феррум» постоянно находятся в
поиске инноваций, расширяя и без того огромный
ассортимент продукции.
Какой дымоход выбрать?
При проектировании дымохода неизбежно задаются резонным вопросом: какой дымоход лучше? Сэкономить и поставить асбестовый?
Может быть, выложить кирпичный? И т.д.
Конструктор дымоходов
С помощью нашего универсального конструктора дымоходов вы сможете спроектировать ваш дымоход онлайн прямо на нашем сайте.
Спроектировать дымоход онлайн i







