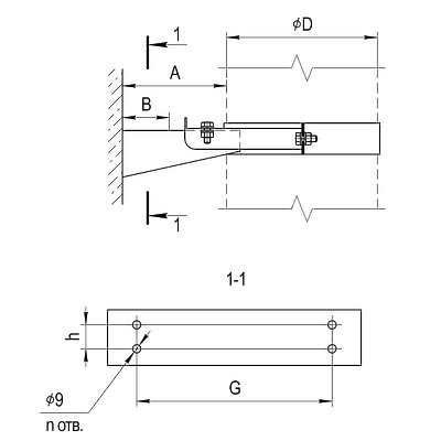
Кронштейн раздвижной
| Кронштейн раздвижной №1 (fk03) | |||||||||||
|---|---|---|---|---|---|---|---|---|---|---|---|
| Диаметр | A | B | G | h | Кол-во отверстий | Масса | |||||
| 80 | 100 | 60 | 64 | - | 2 | 0.46 | |||||
| 100 | 100 | 60 | 84 | - | 2 | 0.52 | |||||
| 110 | 100 | 60 | 94 | - | 2 | 0.55 | |||||
| 115 | 100 | 60 | 99 | - | 2 | 0.56 | |||||
| 120 | 100 | 55 | 104 | - | 2 | 0.58 | |||||
| 125 | 100 | 55 | 109 | - | 2 | 0.6 | |||||
| 130 | 100 | 55 | 114 | - | 2 | 0.61 | |||||
| 135 | 100 | 50 | 114 | - | 2 | 0.62 | |||||
| 140 | 100 | 50 | 124 | - | 2 | 0.64 | |||||
| 150 | 100 | 50 | 134 | - | 2 | 0.66 | |||||
| 160 | 100 | 50 | 144 | - | 2 | 0.7 | |||||
| 180 | 100 | 45 | 164 | - | 2 | 0.75 | |||||
| 200 | 150 | 75 | 184 | 28 | 4 | 1.1 | |||||
| 210 | 150 | 70 | 194 | 31 | 4 | 1.15 | |||||
| 220 | 150 | 70 | 204 | 31 | 4 | 1.18 | |||||
| 250 | 200 | 100 | 234 | 44 | 4 | 1.52 | |||||
| 280 | 200 | 100 | 266 | 44 | 4 | 1.65 | |||||
| 300 | 300 | 160 | 296 | 94 | 4 | 2.69 | |||||
| 350 | - | - | - | - | - | - | |||||
| 400 | - | - | - | - | - | - | |||||
Каталог
выпускаемых изделий
Конструкторский отдел ПК «Феррум» постоянно находятся в
поиске инноваций, расширяя и без того огромный
ассортимент продукции.
Какой дымоход выбрать?
При проектировании дымохода неизбежно задаются резонным вопросом: какой дымоход лучше? Сэкономить и поставить асбестовый?
Может быть, выложить кирпичный? И т.д.
Конструктор дымоходов
С помощью нашего универсального конструктора дымоходов вы сможете спроектировать ваш дымоход онлайн прямо на нашем сайте.
Спроектировать дымоход онлайн i







