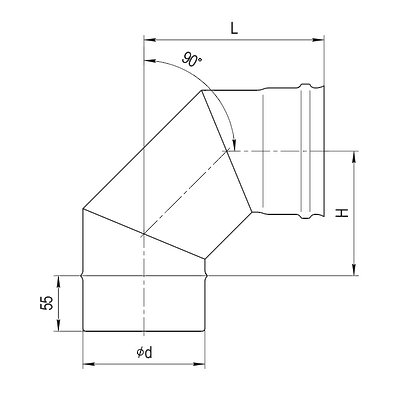
Колено 90° (3 секции)
| Колено 90° (3 секции) (fm08) | |||||||||||
|---|---|---|---|---|---|---|---|---|---|---|---|
| Диаметр | L | H | Масса 0,5 | Масса 0,8 | |||||||
| 80 | 128 | 93 | 0.25 | - | |||||||
| 100 | 161 | 106 | 0.37 | - | |||||||
| 110 | 166 | 111 | 0.42 | 0.67 | |||||||
| 115 | 169 | 114 | 0.45 | 0.72 | |||||||
| 120 | 171 | 116 | 0.47 | 0.75 | |||||||
| 125 | 174 | 119 | 0.5 | - | |||||||
| 130 | 176 | 121 | 0.53 | 0.85 | |||||||
| 135 | 179 | 124 | 0.55 | - | |||||||
| 140 | 181 | 126 | 0.58 | - | |||||||
| 150 | 186 | 131 | 0.64 | 01.02 | |||||||
| 160 | 191 | 136 | 0.69 | 1.1 | |||||||
| 180 | 221 | 166 | 0.91 | 1.46 | |||||||
| 200 | 231 | 176 | 1.05 | 1.68 | |||||||
| 220 | 241 | 186 | 1.2 | - | |||||||
| 250 | 256 | 201 | 1.44 | 2.3 | |||||||
| 300 | 281 | 226 | 1.88 | 3.01 | |||||||
Каталог
выпускаемых изделий
Конструкторский отдел ПК «Феррум» постоянно находятся в
поиске инноваций, расширяя и без того огромный
ассортимент продукции.
Какой дымоход выбрать?
При проектировании дымохода неизбежно задаются резонным вопросом: какой дымоход лучше? Сэкономить и поставить асбестовый?
Может быть, выложить кирпичный? И т.д.
Конструктор дымоходов
С помощью нашего универсального конструктора дымоходов вы сможете спроектировать ваш дымоход онлайн прямо на нашем сайте.
Спроектировать дымоход онлайн i







